Описание
Характеристики
Отзывы
Описание
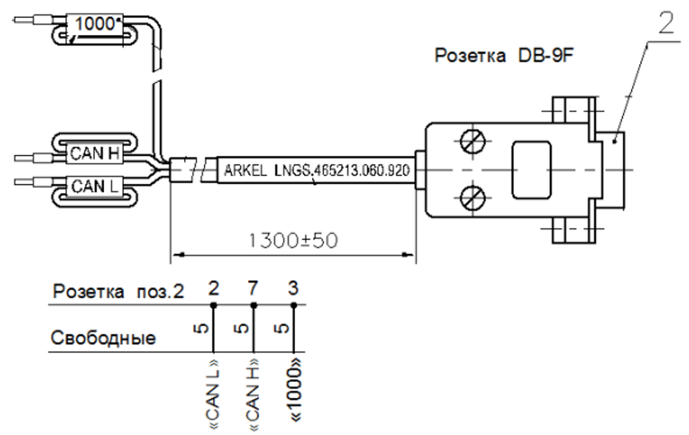
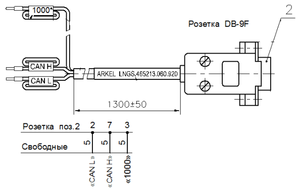
Кабель интерфейсный ЛНГС.465213.060.920 входит в состав лифтовых блоков следующих исполнений:
- 36
- 52
- 74
- 86
- 89
- 90
- 93
- 104
- 108
- 114
- 118
- 124
- 128
- 130
Характеристики
Бренд
Лифт-Комплекс ДС
Страна производства
Россия
Отзывы
Отзывов еще никто не оставлял
Сопутствующие товары
Ранее просмотренные

