Описание
Характеристики
Отзывы
Документация и схемы
Описание
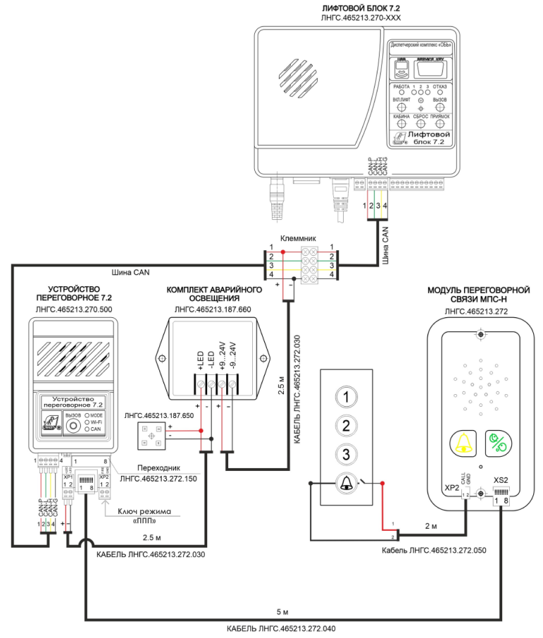
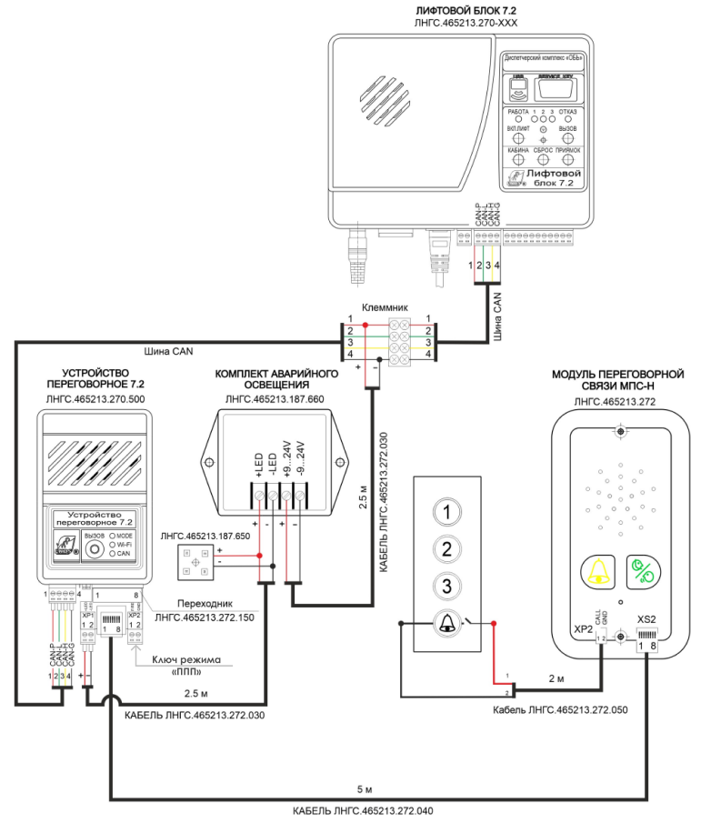
Предназначен для освещения кабины лифта при пропадании сетевого напряжения и отсутствии рабочего освещения. При пропадании 24В (отключения электропитания лифта) включаются светодиоды аварийного освещения белого цвета. При восстановлении электропитания лифта светодиоды аварийного освещения отключаются. Может быть установлен на любой лифт.
Характеристики
Бренд
Лифт-Комплекс ДС
Страна производства
Россия
Отзывы
Отзывов еще никто не оставлял
Документация и схемы

Аналогичные товары
Ранее просмотренные
