Описание
Характеристики
Отзывы
Документация и схемы
Описание
Обеспечивает принятие кода электронного ключа и коммутацию кнопок приказного поста лифта.
ПКД (Портал 2.0) — это современное устройство для контроля доступа, обеспечивающее быструю и надежную идентификацию пользователей. С его помощью можно эффективно управлять доступом к различным зонам объекта.
- Преимущества портала контроллера доступа:
Надежность: Высококачественные компоненты гарантируют долгосрочную и стабильную работу устройства. - Гибкость: Возможность интеграции с различными системами и устройствами.
- Простота использования: Интуитивно понятный интерфейс обеспечивает комфортное управление доступом.
Область применения:
- Жилые и коммерческие здания.
- Офисы, бизнес-центры.
- Медицинские и образовательные учреждения.
Портал контроллер доступа (ПКД) 2х16 (Портал 2.0) — это ваш выбор для создания надежной и эффективной системы контроля доступа.
Если у вас есть вопросы или вы готовы сделать заказ, свяжитесь с нами по телефону 8 (800) 201-60-72 . ООО "Лифты Казани" — всегда рядом с вами, обеспечивая лучшие решения!
Характеристики
Бренд
Лифт-Комплекс ДС
Страна производства
Россия
Отзывы
Отзывов еще никто не оставлял
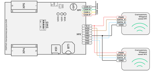
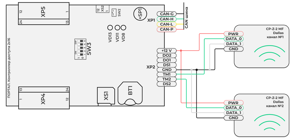
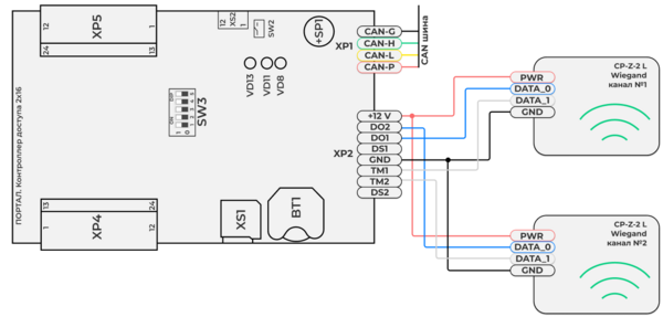
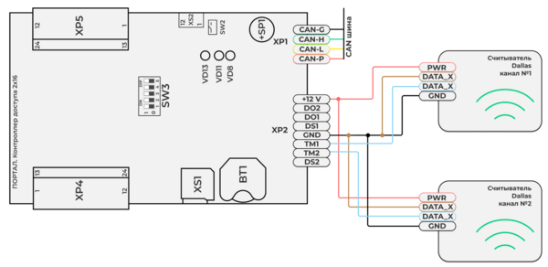
Документация и схемы
Сопутствующие товары
Ранее просмотренные







