Описание
Характеристики
Отзывы
Документация и схемы
Описание
ЛБ «IFE» – предназначен для установки на лифты с платой управления лифтом IFE.
В отличие от блока 7.2 может подключаться к интернету через встроенный 4G-модем и встроенную антенну (достаточно вставить сим-карту и настроить мобильный интернет), а также предусмотрена возможность быстрой установки на DIN-рейку.
Комплект поставки
| Наименование | Обозначение | Количество |
| Лифтовой блок 7.3 | ЛНГС.465213.276-123 | 1 шт. |
| Кабель IFE | ЛНГС.465213.060.690 | 1 шт. |
| Модуль переговорной связи | ЛНГС.465213.099.400-05 | 1 шт. |
| Винт | В.М3×20 DIN84 | 2 шт. |
| Клеммник | ЛНГС.465213.270.050 | 1 шт. |
| Жгут | ЛНГС.465213.270.060 | 2 шт. |
| Модуль управления пускателем ЛБ 7.2 | ЛНГС.465213.270.020 | 1 шт. |
| Устройство переговорное 7.2 | ЛНГС.465213.270.500 | 1 шт. |
| Держатель | ЛНГС.465213.270.002-01 | 1 шт. |
| Стяжка | CV-300 | 2 шт. |
| Жгут | ЛНГС.465213.270.560-01 | 1 шт. |
| Держатель | ЛНГС.465213.270.002 | 1 шт. |
| Сетевой адаптер ~220В /+24В 2А | - | 1 шт. |
| Извещатель | ИО 102-2 (MC 31) | 1 шт. |
| Карта памяти | MicroSD | 1 шт. |
| Антенна угловая, 2.14 дБи, 2500 МГц | IPD-Rubber-3002 | 1 шт. |
Характеристики
Бренд
Лифт-Комплекс ДС
Страна производства
Россия
Отзывы
Отзывов еще никто не оставлял
Документация и схемы
Скачать схемы подключения к разным станциям управления ЛБ 7.2 (апрель 2025)
Руководство по эксплуатации ЛБ 7.2
Руководство по эксплуатации ЛБ 7.3
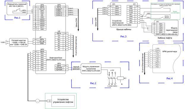
Общая схема подключения лифтовых блоков 7.2 (7.3):

Ранее просмотренные
